EN
RU
About Our Project
Contact information
Bearings
Mounted bearings and housings
Linear motion systems
Seals
Belts
Chains
Sprockets
Designation system
Directory of brands and manufacturers
Virtual catalog
Print
Technical Specification PDF
Mounted bearings and housings
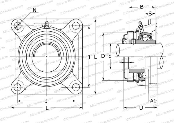
UCF 207C ASAHI Ball bearing units
TYPE:
Housing units, Four-bolt flanged housing units, Cast iron housing, Radial insert ball bearing with grub screws in inner ring, Type UCF..C with pressed steel covers, open cover (ASAHI)
Metric
Imperial
Dimensions,
mm
in
d
35,000
1,429
D
72,000
2,939
B
42,900
1,751
L
117,000
4,776
J
92,000
3,755
A1
16,000
0,653
N
14,000
0,571
S
17,500
0,714
U
54,000
2,204
Weight, kg
1,600
Bearing
UC 207
Housing
F 207C
Manufacturer:
ASAHI
Designation system - ASAHI
Interchange:
ASAHI
F 207C + UC 207
© ABCmechanics.com, 2017-2026