EN
RU
About Our Project
Contact information
Bearings
Mounted bearings and housings
Linear motion systems
Seals
Belts
Chains
Sprockets
Designation system
Directory of brands and manufacturers
Virtual catalog
Print
Technical Specification PDF
Mounted bearings and housings
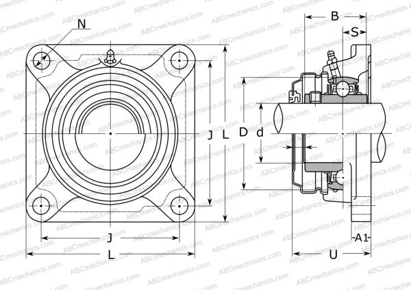
UCF 205E ASAHI Ball bearing units
TYPE:
Housing units, Four-bolt flanged housing units, Cast iron housing, Radial insert ball bearing with grub screws in inner ring, Type UCF..E with pressed steel covers, closed cover (ASAHI)
Metric
Imperial
Dimensions,
mm
in
d
25,000
1,020
D
52,000
2,122
B
34,100
1,392
L
95,000
3,878
J
70,000
2,857
A1
14,000
0,571
N
12,000
0,490
S
14,300
0,584
U
48,000
1,959
Weight, kg
0,860
Bearing
UC 205
Housing
F 205C
Manufacturer:
ASAHI
Designation system - ASAHI
Interchange:
ASAHI
F 205C + UC 205
© ABCmechanics.com, 2017-2026