Mounted bearings and housings
UKFE206H SNR Ball bearing units
|
|
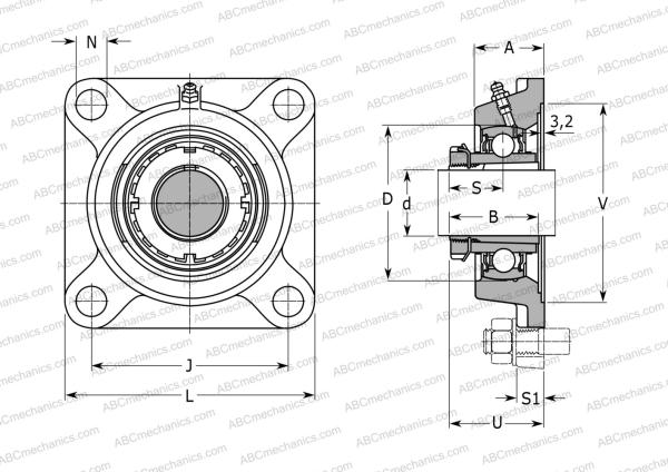
Dimensions, mmin |
| d |
25,000
1,020
|
| D |
62,000
2,531
|
| B |
38,000
1,551
|
| L |
108,000
4,408
|
| A |
33,500
1,367
|
| J |
82,500
3,367
|
| A1 |
12,000
0,490
|
| A2 |
20,000
0,816
|
| N |
11,500
0,469
|
| S |
20,500
0,837
|
| d3 |
45,000
1,837
|
| U |
40,500
1,653
|
| Q |
R1/8" |
|
Bearing |
UK206 + H2306 |
Housing |
FE206 |
Adapter sleeve |
H2306 |
|
Calculation data
| Basic dynamic load rating, C |
19,500 kN
4383,795 lbf
|
| Basic static load rating, Co |
11,200 kN
2517,872 lbf
|
| Operating temperature min |
-20 °C
-4 °F
|
| Operating temperature max |
110 °C
230 °F
|
© ABCmechanics.com, 2017-2026